| 产品标题:C-VHK2-12F-12F,VHK2手动阀,控制器系列 - VHK手动阀 产品ID:VIB20120523000412734 品 牌:CKT 西克迪 所在地:中国 上海 价 格:面议 (大量采购价格面议) 库存状态:货期待查 更新日期:2025-8-7 16:08:34 咨询电话:(+86)021-51699285 咨询Q Q: 2695337323 |
C-VHK2-12F-12F,VHK2手动阀,控制器系列 - VHK手动阀
产品简介:
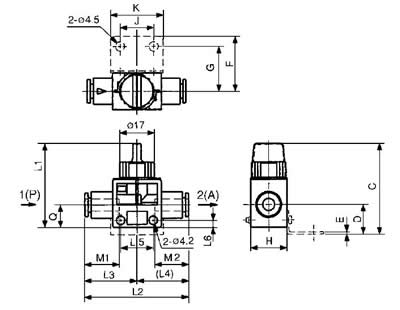
图标符号
规格
|
阀种类 |
2通 |
|
使用流体 |
空气 |
|
最高使用压力 |
1.0MPa |
|
真空使用压力 |
-100kPa |
|
环境及流体温度 |
0~60℃ |
|
适合管子 |
尼龙,软尼龙,PU软管 |
|
配件(任选) |
托架 |



|
型号 |
管子外径 |
H |
L1 |
L2 |
L3 |
L4 |
L5 |
L6 |
M1 |
M2 | |
|
P |
A | ||||||||||
|
C-VHK2-04F-04F |
4 |
4 |
18 |
41 |
47.5 |
24 |
24 |
16.5 |
3.5 |
15.8 |
15.8 |
|
C-VHK2-06F-06F |
6 |
6 |
18 |
41 |
48.5 |
24.5 |
24.5 |
16.5 |
3.5 |
16.8 |
16.8 |
|
C-VHK2-08F-08F |
8 |
8 |
18 |
41 |
52.5 |
26.3 |
26.3 |
16.5 |
3.5 |
18.7 |
18.7 |
|
C-VHK2-10F-10F |
10 |
10 |
22 |
46 |
61 |
30.5 |
30.5 |
21.5 |
4 |
20.8 |
20.8 |
|
C-VHK2-12F-12F |
12 |
12 |
22 |
46 |
63 |
31.5 |
31.5 |
21.5 |
4 |
21.8 |
21.8 |
|
型号 |
Q |
截面积 |
托架安装尺寸 | |||||||
|
P→A |
托架型号 |
C |
D |
E |
F |
G |
J |
K | ||
|
C-VHK2-04F-04F |
11 |
4 |
C-VHK-B1A |
44.5 |
14.5 |
1 |
27 |
22 |
16.5 |
26 |
|
C-VHK2-06F-06F |
11 |
6 |
C-VHK-B1A |
44.5 |
14.5 |
1 |
27 |
22 |
16.5 |
26 |
|
C-VHK2-08F-08F |
11 |
8 |
C-VHK-B1A |
44.5 |
14.5 |
1 |
27 |
22 |
16.5 |
26 |
|
C-VHK2-10F-10F |
14 |
10 |
C-VHK-B2A |
49 |
17 |
1 |
30 |
25 |
21.5 |
31 |
|
C-VHK2-12F-12F |
14 |
12 |
C-VHK-B2A |
49 |
17 |
1 |
30 |
25 |
21.5 |
31 |
