| 产品标题:CM2系列,执行元件(气缸) - 不锈钢迷你气缸 产品ID:VIB20120522235545734 品 牌:CKT 西克迪 所在地:中国 上海 价 格:面议 (大量采购价格面议) 库存状态:货期待查 更新日期:2025-4-24 5:32:10 咨询电话:(+86)021-51699285 咨询Q Q: 2695337323 |
CM2系列,执行元件(气缸) - 不锈钢迷你气缸
产品简介:
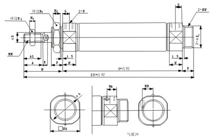
订购代码
安装尺寸
|
缸径mm |
行程范围 |
A |
AL |
B1 |
B2 |
D |
E |
F |
G |
H |
H1 |
H2 |
|
20 |
-300 |
18 |
15.5 |
13 |
26 |
8 |
20 |
13 |
8 |
41 |
5 |
8 |
|
25 |
-300 |
22 |
19.5 |
17 |
32 |
10 |
26 |
13 |
8 |
45 |
6 |
8 |
|
32 |
-300 |
22 |
19.5 |
17 |
32 |
12 |
26 |
13 |
8 |
45 |
6 |
8 |
|
40 |
-300 |
24 |
21 |
22 |
41 |
14 |
32 |
16 |
11 |
50 |
8 |
10 |
|
缸径mm |
I |
K |
MM |
N |
NA |
NN |
P |
S |
ZZ |
WA |
WB |
|
20 |
28 |
5 |
M8×1.25 |
15 |
24 |
M20×1.5 |
1/8 |
62 |
116 |
11.5 |
8.5 |
|
25 |
33.5 |
5.5 |
M10×1.25 |
15 |
30 |
M26×1.5 |
1/8 |
62 |
120 |
11.5 |
10 |
|
32 |
37.5 |
5.5 |
M10×1.25 |
15 |
34.5 |
M26×1.5 |
1/8 |
64 |
122 |
11.5 |
11.5 |
|
40 |
46.5 |
7 |
M14×1.5 |
21.5 |
42.5 |
M32×2 |
1/4 |
88 |
154 |
14 |
15 |

|
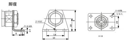
缸径mm |
零件号 |
X |
Y |
LD |
LC |
LX |
LZ |
LH |
LT |
B |
|
20 |
CM-L020B |
20 |
8 |
6.8 |
4 |
40 |
55 |
25 |
3.2 |
40 |
|
25 |
CM-L032B |
20 |
8 |
6.8 |
4 |
40 |
55 |
28 |
3.2 |
47 |
|
32 |
CM-L032B |
20 |
8 |
6.8 |
4 |
40 |
55 |
28 |
3.2 |
47 |
|
40 |
CM-L040B |
23 |
10 |
7 |
4 |
55 |
75 |
30 |
3.2 |
54 |
